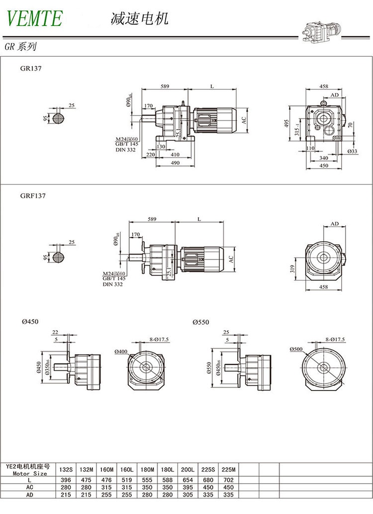
以下是R08減速機以及RF08立式齒輪減速機的具體的型號以及對應的安裝尺寸圖紙,此R08減速機對應的大眾的減速機型號為R137
| RF08DM160L | RF08DM132S |
| RF08DM180M | RF08DM132M |
| RF08DM180L | RF08DM132L |
| RF08DM200L | RF08DM160M |
| R08DM160L | R08DM132S |
| R08DM180M | R08DM132M |
| R08DM180L | R08DM132L |
| R08DM200L | R08DM160M |
| R08DM225S | RF08DM225S |
| R08DM225M | RF08DM225M |
| R08DM250M | RF08DM250M |
下一篇:R09系列齒輪減速機型號上一篇:R08X系列齒輪減速機型號
此文關鍵字:R08系列齒輪減速機型號
















